Центробежный горизонтальный насос GRANDFAR CHT12-40T
Артикул: 🖶 Распечатать упрощённую версию
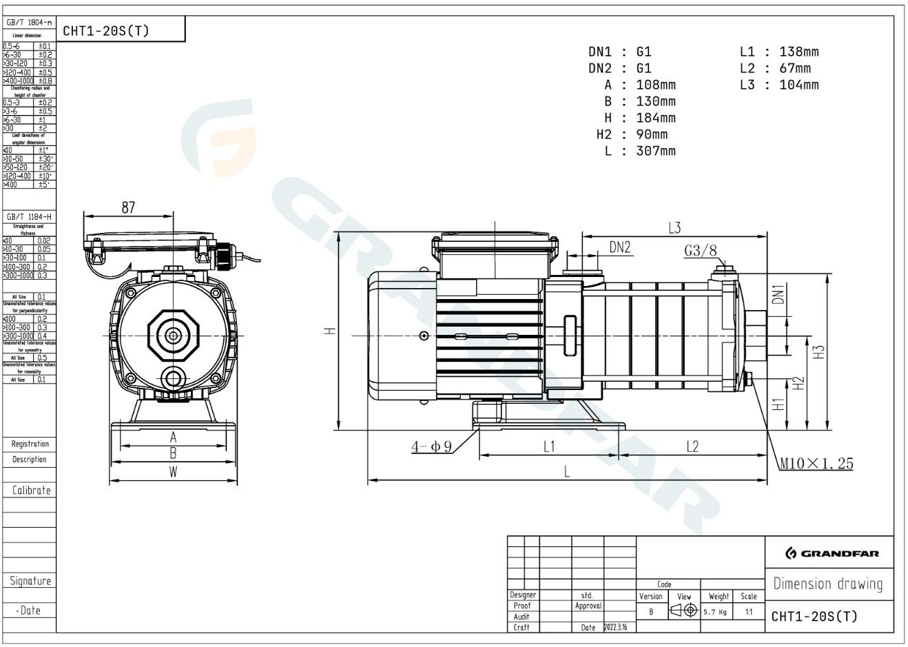
Интегрированная конструкция двигателя и вала насоса низкий уровень шума, высокая эффективность передачи; двигатель с воздушным охлаждением, полностью закрытая конструкция защиты; компактная структура и небольшой внешний размер.

Подбор насоса за 15 минут
Гарантия
Официальный дилер
Быстрая отгрузка
- ✗ Уточняйте наличие
- Цена:По запросу Получить скидку!
Характеристики
Общая информация
Доставка и Оплата
Инструкция
Отзывы
| Характеристика | Значение |
|---|---|
| Производитель | GRANDFAR |
| Тип изделия | Центробежный насос |
| Материал корпуса | Нержавеющая сталь |
| Степень(класс) защиты | IP 55 |
| Качество воды | Чистая |
| Установка насоса | Горизонтальная |
| Страна производства | Китай |
| Область применения | Для перекачивания чистой, невзрывоопасной, маловязкой жидкости, не содержащая абразивных частиц и волокон. |
| Количество фаз | 3 |
| Частота сети, Гц | 50 |
| Диаметр напорного патрубка, дюйм | 1.5 |
| Рабочее колесо | Нержавеющая сталь |
| Максимальное рабочее давление в системе, бар | 10 |
| Модель | CHT12-40T |
| Рабочее напряжение, В | 380 |
| Диапазон температур, градусов | от -20 до +104 |
Серия CHT - это многоступенчатый насос из нержавеющей стали, ориентированный на корпус: Жидкостная часть изготовлена из SUS304. При обработке передовым сварочным оборудованием, термообработке, напряжение, вызванное торцевым разрезом пластины при растяжении и прессовании, устраняется, чтобы сделать высокую прочность, отсутствие деформации, длительный срок службы, безопасное и надежное использование; Применяемый тип механического уплотнения обеспечивает водонепроницаемость при длительной непрерывной работе. Материал рамы - алюминий; низкий уровень шума и вибрации, долговечность. Класс изоляции B, защита IPX55, непрерывная работа; однофазный с термопротектором от T1 для обеспечения безопасности и удобства.
Оплата и доставка
Компания "Абсолют Инжиниринг" предлагает следующие способы оплаты:
Для юридических лиц:
- банковский перевод
Для физических лиц:
- банковский терминал;
- оплата наличными (имеется кассовый аппарат).
Пока нет отзывов. Будете первым?








